Mainboad 'MOSU'
Die Lötseite des Prints mit Bestückungsdruck, ideal für Messungen im eingebauten Zustand
Zubehör

Das Innenleben der Expansion Unit
Die Expansion Unit stellt zusätzliches ROM und RAM zur Verfügung. Die Konfiguration kann über DIP-Switches eingestellt werden. Die im Bild gezeigte Version hat ein 27128 EPROM (der Assembler) und 8k RAM. Die weitern 8k RAM stehen so nicht zur Verfügung. Details zur Konfiguration sowie Schema sind im TechManual vorhanden. Hier der Auszug mit Beschreibung und Schema.

Der HX-20 im Kunststoff-Koffer
Original-Kunststoff-Koffer mit Platz für Microkassetten, Netzteil und Papierrollen. Letztere sind nach wie vor erhältlich bei Diagramma AG.

Instandsetzung

Beim ersten Einschalten und nach Initialisierung funktionierte der HX-20, Monitor und Basic liessen sich starten. Beim Zugriff auf Drucker oder Mikrokassette erschien jedoch immer 'CHARGE BATTERY', auch nach längerer Ladezeit.

Durch Batteriesäure veräzter Kontakt
Der Anschlussstecker auf dem Print
Ersatz für den Original-Stecker
Die Batterie war nicht angeschlossen, was ja bei längerer Lagerung durchaus sinnvoll ist. Wie es aussieht, war das aber nicht immer so. Die Batterie-Säure hat sowohl Stecker und das Gegenstück zerstört. Nachlöten war unmöglich und ein Original-Stecker nicht vorhanden. Nach dem Wechsel der Steckverbindungen liess sich der Akku ertaunlicherweise laden, Drucker und Mikrokassette liessen sich betreiben.

Der Motor für Andruckrolle und Tonkopf
Das nächste Problem war das Mikrokassetten-Laufwerk. Im Direktmodus liess sich das Band vor- und zurückspulen, bei einem Datenzugriff hingegen ein kurzes Bewegen, dann Stille. I/O Error. Der Motor zum Bewegen von Andruckrolle und Tonkopf war blockiert. Ein paar Umdrehungen von Hand und ein Tropfen Oel lösten das Problem.

Das Laufwerk mit ersetztem Antriebsriemen
Jetzt liessen sich Programme speichern und laden, manchmal, meistens jedoch I/O Error. Der Antriebsriemen war deformiert und hatte zuwenig Spannung. Dadurch war der Bandtransport unregelmässig. In den Tips and Tricks von Martin Hepperle findet sich eine Beschreibung für dieses Problem. Er gibt sogar die Abmessungen des Riemens an, dieser ist hier mit genau diesen Massen lieferbar. Bestellt, eingebaut, ein Problem weniger.

Jetzt funktionierte der HX für einige Tage einwandfrei. Doch plötzlich liess er sich nicht mehr einschalten, auch Nachladen brachte nichts. Die Batteriespannung stieg nicht mehr über 4.3V, eine der Zellen hat Kurzschluss. In eBay einen Akku Original-Ersatz gefunden, eingebaut, nochmals ein Problem weniger.

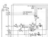
Schemaausschnitt Tastatur-Interrupt
Der unnötigerweise ersetzte 4010
Hier lag der Hund begraben...
Schön wär's. Mitten beim Eingeben eines Programms keine Reaktion mehr, Tasten werden nicht mehr erkannt. Nach einem RESET erscheint das Menu, nur wählen lässt sich nichts. Auch Ausschalten ist nicht mehr möglich. Der erste Verdacht: eine Taste bleibt immer aktiv, wird auch in der Beschreibung von Epson so angegeben. Fehlanzeige, alle Tasten sind in Ordnung. Die ausführliche Beschreibung in der Theory of Operation führte dann zur Generierung des Tastatur-Interrupts, und, tatsächlich, kein Interrupt bei Tastendruck.
/K.B REQUEST geht bei jedem Tastendruck auf low, signalisiert dem Prozessor die Art des Interrupt. An Pin13 von 3E liegt bei gedrückter Taste jedoch eine schwankende Spannung zwischen drei und vier Volt, hin ud wieder geht sie sogar auf Null, Taste wird erkannt. Die Leitung führt nur zu 2E-1, also muss E3 oder 2E defekt sein. Versuchsweise 3E-13 abgeklemmt, sauberes Signal an Pin 13. Den 2E, 4010 durch 74HC10 ersetzt, und, wieder nichts. Immer noch das geiche Fehlerbild.
Leiterplatte defekt?  Die Messung des Widerstandes zwischen +5V und dem Pin13 zeigt 3k Ohm, etwas tief für eine freiliegende Leiterbahn. Die Untersuchung mit der Lupe zeigt nichts Auffälliges. Schaden kanns nicht, mit dem Skalpell zwischen Pin14 und der Leiterbahn von Pin13 durchgestrichen, Widerstand unendlich...
Seither läuft alles wieder wie geschmiert.